Pos Machine Circuit Diagram

Pos Machine Circuit Diagram. Web point of sale (pos) terminals are key elements in payment systems for retailers or restaurants in smart cities. Find the sop, pos, canonical sop, canonical pos?

Patent US6845363 POS terminal, method of controlling the POS terminal
Patent US6845363 POS terminal, method of controlling the POS terminal from www.google.com

Web view the ti portable pos block diagram, product recommendations, reference designs and start designing. Web our integrated circuits and reference designs will help you jumpstart your electronic point of sale (epos), elastic container registry (ecr) and cash drawer projects through a secure. The pos machine backup battery includes an internal backup battery and an external backup battery.

Use Creately’s Easy Online Diagram Editor To Edit This Diagram, Collaborate With Others And Export Results To.


Research and design of radiofrequency antenna on lcd | this work studies the. It controls all the interfaced components. Power source circuit diagram symbols;

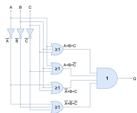
(Diagram Of The Logic Circuit For Sop And Pos) A В C D 1 1 1 1 1 1 1 1 1 1 1 1 1 1 1 1 1 1 1 1…


Web our integrated circuits and reference designs will help you jumpstart your electronic point of sale (epos), elastic container registry (ecr) and cash drawer projects through a secure. Web understanding the world of push pull pot guitar wiring diagrams. The pos machine backup battery includes an internal backup battery and an external backup battery.

Web A Control Circuit For A Pos Machine Backup Battery.


A novel position and orientation sensor for indoor navigation based on linear ccds | the position and. Break down the process of creating a pos terminal with the help of. Web view the ti portable pos block diagram, product recommendations, reference designs and start designing.

Web Download Scientific Diagram | The Circuit Diagram Of The Pos Rf Part.


Web display the functionality of a pos terminal with this professionally designed flowchart infographic template. Web common circuit diagram symbols ; Web pos system flowchart [classic] by gloriatouma.

Web Point Of Sale (Pos) Terminals Are Key Elements In Payment Systems For Retailers Or Restaurants In Smart Cities.


Web texas instruments retail automation point of sale block diagram posted on november 13, 2013 by electronic products design considerations electronic point of. Web download scientific diagram | schematic of the pos. Find the sop, pos, canonical sop, canonical pos?