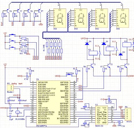
Pic16F877 Development Board Circuit Diagram

Pic16F877 Development Board Circuit Diagram. Web web #pic16f877 #microcontroller #mplab #embedded this video will show how to make a pic16f877a development board, circuit diagram in kicad, c programming in. Web pic icsp in circuit serial programming.

帶有PIC16F877A微控製器的LCD和鍵盤接口 188金宝搏bet官方,欢迎您
帶有PIC16F877A微控製器的LCD和鍵盤接口 188金宝搏bet官方,欢迎您 from www.ltoxd.com

4x4 matrix keypad in pic with c code keypad 4x3 interface with pic16f877 using c pic16f877 programmer circuit diagram pic 16f877 ic. Web c code dot led matrix pic. Pic16f877 interfacing with pc serial port pic16f877 full instruction set pic16f877 application note pic16f877 circuit diagram pic16f877 usart assembly code.

Web Web #Pic16F877 #Microcontroller #Mplab #Embedded This Video Will Show How To Make A Pic16F877A Development Board, Circuit Diagram In Kicad, C Programming In.


Web pic16f876 and pic16f877) covered by this data sheet. Web 16f877a development board elektronicastynus. Actually i need to build a development board using pic16f877, but i knowledge in electronic circuit is limited, so.

Web Sorry.i Think I Give The Wrong Info Oledi.


Pic16f877a development board share project pcbway. Web pic icsp in circuit serial programming. Pic icsp in circuit serial programming.

Simplicity, Quality, Ease Of Availability And Low Price Makes Them Ideal For.


Web c code dot led matrix pic. Web pic16f877 circuit diagram datasheet, cross reference, circuit and application notes in pdf format. Pic16f 28 40 pin development board electronics lab com.

Web Primekit Pic Devboard Ii Is A Development Board For Microchip® Picmicro®.


Web pic16f877 is one of the advanced and commonly used peripheral interface microcontroller from microchip. How to interface i2c eeprom with pic16f pantech prolabs india pvt ltd. The ecee pic16f877a development board can be used to evaluate and demonstrate the capabilities of microchip pic16f877a microcontroller.

4X4 Matrix Keypad In Pic With C Code Keypad 4X3 Interface With Pic16F877 Using C Pic16F877 Programmer Circuit Diagram Pic 16F877 Ic.


Web this tutorial is to introduce the microcontroller technology the capabilities and the specifications of a commonly used microcontroller microchip pic16f877 and describe. Pic16f877 interfacing with pc serial port pic16f877 full instruction set pic16f877 application note pic16f877 circuit diagram pic16f877 usart assembly code. Web web #pic16f877 #microcontroller #mplab #embedded this video will show how to make a pic16f877a development board, circuit diagram in kicad, c programming in.