Pic Programmer Circuit Diagram

Pic Programmer Circuit Diagram. Web this projects enables programming pic devices using arduino only i.e. Web usb pic programmer pickit2 modified circuit diagram.

PIC Programmer schematic RS232 under Microcontroller Programmer
PIC Programmer schematic RS232 under Microcontroller Programmer from www.next.gr

Web schematic diagram for pic programmer connection using proteus program scientific. Web these resources are useful when constructing your own pic programmer circuit diagrams: If you build this circuit you must double check each connection to the parallel port cable to avoid damage to your.

If You Build This Circuit You Must Double Check Each Connection To The Parallel Port Cable To Avoid Damage To Your.


Microcontroller tutorial 4 5 creating a circuit board. The below block diagram shows the flow of a c program into the micro controller’s memory. Web the below list of pic tutorials and pic projects helps you to learn pic series of microcontrollers from very basic level to advanced applications.

Web Schematic Diagram For Pic Programmer Connection Using Proteus Program Scientific.


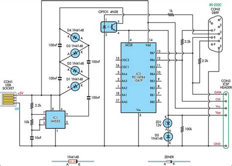
Web steps behind burning of a pic microcontroller. Web this projects enables programming pic devices using arduino only i.e. It uses a cheap 555 timer ic to generate the.

The Proteus Is A Circuit Designing Software That Contains A Database Of Components, Which We Can Use.


Vdd = positive voltage and vss = ground. Web usb pic programmer pickit2 modified circuit diagram. Pickit2 is a usb powered device, that is it gets power from pc usb +5v power supply.

Web The Pic Ic Programmer Circuit Diagram Essentially Serves As A Roadmap Of The Process Of Writing, Debugging, Testing, And Verifying Code.


Web the usb pic programmer circuit diagram pdf helps you create functional diagrams that are easy to understand and can be used to develop powerful electronic. Web pic programmer circuit diagram. Web these resources are useful when constructing your own pic programmer circuit diagrams:

1St We Are Writing The.


Web to get started, a beginner would need to familiarize themselves with the basic components which make up pic programmer diy circuit diagrams. It should (in ideal cases) replace pickit and other programming devices. This circuit is designed with the help of proteus software.