Parallax Propeller Serial Connection Circuit Diagram

Parallax Propeller Serial Connection Circuit Diagram. Each page includes a schematic, wiring diagram. You can use a serial.

Puzzling Problem Homemade Serial to Propeller Page 2 Parallax Forums
Puzzling Problem Homemade Serial to Propeller Page 2 Parallax Forums from forums.parallax.com

In the propeller tool program choose run>identify hardware (or press f7) to identify the propeller board connected to your computer. Its eight cores each have access to all 32 i/o pins. Each page includes a schematic, wiring diagram.

Web Make Sure You've Installed The Usb Drivers And They're A Recent Version.


If necessary, download a fresh copy from parallax's website or ftdi's website. Create date september 23, 2020. Last updated october 9, 2020.

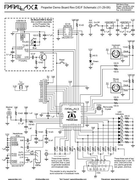
Web Connect The Serial Lcd As Shown In The Schematic/Wiring Diagram.


Web i am not getting any connection to the propeller tool and i have everything connected properly. Each page includes a schematic, wiring diagram. Web view datasheets for propeller education kit labs by parallax inc.

Its Eight Cores Each Have Access To All 32 I/O Pins.


After connecting everything as shown in the propeller datasheet, i. Web product guide for the following parallax serial lcd models: Web the native language offered by parallax for the propeller is called spin, which is bytecode interpreted.

Demonstrate How To Connect Circuits To The Prope Ller.


And other related components here. In the propeller tool program choose run>identify hardware (or press f7) to identify the propeller board connected to your computer. Web circuit if the eeprom circuit is already built into your propeller development board, you are good to go.

Web Parallax Serial Terminal.


The owner of parallax along with his brother, ken) likes to. You can use a serial. This tiny device is capable of.