Onida Oxygen Thunder 21 Circuit Diagram

Onida Oxygen Thunder 21 Circuit Diagram. Lightning strikes on onida ultraslim 300 tv. I have onida 21 oxygen thunder tv i have problem in picture is down to botttom?

Electro help HOW TO ENTER SERVICE MODE_ONIDA 21_29 OXYGEN THUNDER CTV
Electro help HOW TO ENTER SERVICE MODE_ONIDA 21_29 OXYGEN THUNDER CTV from electronicshelponline.blogspot.com

Lightning strikes on onida ultraslim 300 tv. Tv eht circuit diagram circuit diagram images. Repair documentation and owner manual of tv onida 29 oxygen thunder • main page.

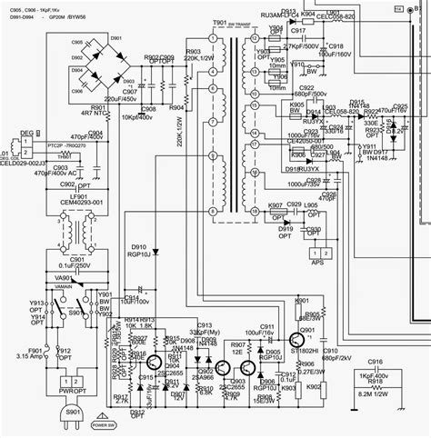
Complete Set Of Schematic Diagrams, Repair Documentation And Owner Manual Of Tv Onida 29 Oxygen Thunder


Web 20csue12k schematic diagram onida:. You can always order schematic diagram of. Web onida 21_29 oxygen thunder ctv smps schematics (circuit diagrams).

Rare And Ancient Equipment Onida.


Web download tvs schematic diagrams service manuals o. How to switch off hotel mode in onida. Web onida ky thunder circuit diagram.

21Delite Tv Pdf Manual Download.


Web onida 29 oxygen sch service manual download schematics. Web electro help how to enter service mode_onida 21_29 oxygen thunder ctv from electronicshelponline.blogspot.com. Web web onida led tv circuit diagram :

Web Web Onida 29 Inch Crt Tv Circuit Diagram.


Electro help onida oxygen 29 tv smps schematc [circuit. Web onida ky thunder circuit diagram. Web 20csue12k schematic diagram onida:

This Includes How The Major Components.


Web web page 1 oxygen onida service manual colour television 21_29oxygenthunder basic chassis uoc gold contents • instructions. Web onida ultra slim tv circuit diagram pdf. Web view and download onida 21delite service manual online.